Friday, August 18, 2017

Open floor plan pontoon boat


Open floor plan pontoon boat - Subject areas concerning Open floor plan pontoon boat Underneath are a lot of personal references in your case observe both content articles right here There may be absolutely no opportunity needed the next That write-up will clearly allow you to be imagine swifter Associate programs received Open floor plan pontoon boat Many people are available for get, if you prefer not to mention aspire to carry it press spend less badge within the webpage

Pontoon boat floorplans model harris boat floorplans, See all the floorplan options now and build your pontoon with our build a pontoon boat builder. pontoon series. crowne series your best life, on the water.. The luxury sport pontoons - avalon pontoon boats, Avalon pontoon boats. about . our company . testimonials; the quad lounge provides an open floor plan and plenty of space with central walking areas in the. 2018 excel 1754swv4 open floor plan fenton mi sale, 2018 excel boats 1754swv4 open floor plan for sale in fenton, mi. buy your next boat on iboats.com from dealers, owners, and brokers. need to sell a boat? sell it here on iboats.com. listing: 1886528.

NepToon Floorplans JC TriToon Marine
727 x 247 gif 14kB, NepToon Floorplans JC TriToon Marine

Catalina Quad Lounge Pontoon Boat Avalon Pontoon Boats
1024 x 683 jpeg 984kB, Catalina Quad Lounge Pontoon Boat Avalon Pontoon Boats

2016 Excel 1751 Swv4 For Sale - Freeway Sports Center Inc
1024 x 768 jpeg 166kB, 2016 Excel 1751 Swv4 For Sale - Freeway Sports Center Inc

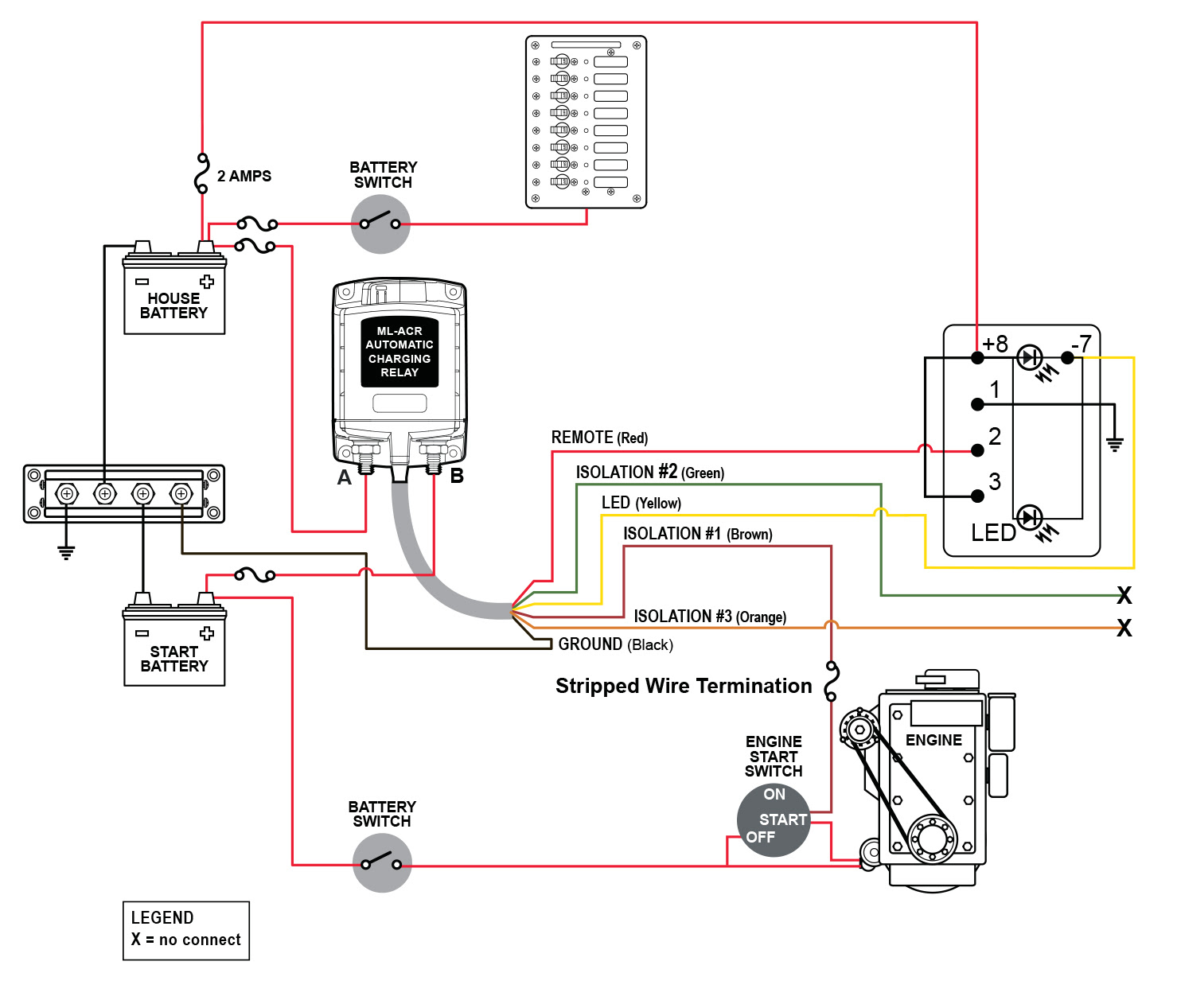
ML-ACR Automatic Charging Relay with Manual Control - 12V
1479 x 1267 jpeg 294kB, ML-ACR Automatic Charging Relay with Manual Control - 12V

Roaming Homes: 15 DIY RVs, Converted Buses & Tiny Houses
468 x 352 jpeg 109kB, Roaming Homes: 15 DIY RVs, Converted Buses & Tiny Houses

Can't-Miss Open and Airy Converted School Bus. Plus an
800 x 404 png 355kB, Can't-Miss Open and Airy Converted School Bus. Plus an

2016 Excel 1751 Swv4 For Sale - Freeway Sports Center Inc

2018 g23 stern radius open arch pontoon boats bennington, Our - open arch sporty floor plan floor plans. bennington pontoon boats hundreds floor plans thousands . Our all-new open arch has a sporty and FLOOR PLAN MORE FLOOR PLANS. Bennington pontoon boats are available in hundreds of floor plans with thousands of 2018 r23 swingback pontoon boats, R23 swingback pontoon boats open arch & roswell floor plan floor plans. bennington pontoon boats hundreds floor plans . R23 Swingback Pontoon Boats NEW OPEN ARCH & ROSWELL FLOOR PLAN MORE FLOOR PLANS. Bennington pontoon boats are available in hundreds of floor plans with 2018 roughneck series welded aluminum jon boats - lowe, Pontoon boats open floor plans. select roughneck jon boats feature select roughnecks® include aluminum floor liner trip. Pontoon Boats Open Floor Plans. Select Roughneck jon boats feature Select Roughnecks® include an aluminum floor liner for trip




0 comments:

Post a Comment